先进的技术,一流的服务,不断创新,追求卓越
服务热线:
0533-4650118,4184608
电子邮箱:
jhzhuji@163.com
Toggle navigation
网站首页
公司简介
产品系列
混合机
干碾机
湿碾机
振动筛
压砖机
混砂机
破碎机
其他产品
出货现场
新闻资讯
营销网络
联系我们
破碎机
当前位置:
主页
>
产品系列
>
破碎机
>
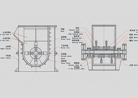
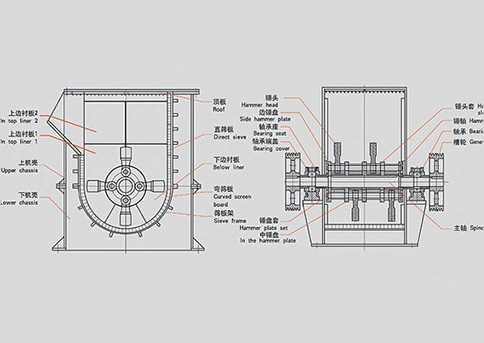
锤式破碎机
提示:点击图片可以放大
产品介绍
在线询盘
X
网站首页
公司简介
产品系列
混合机
干碾机
湿碾机
振动筛
压砖机
混砂机
破碎机
其他产品
出货现场
新闻资讯
营销网络
联系我们